Voltaico.cz » Ing. Pavel Král » Těrlicko

Ing. Pavel Král

Místo realizace: Těrlicko
Datum realizace: 24. 11. 2025


Popis realizace od dodavatele:

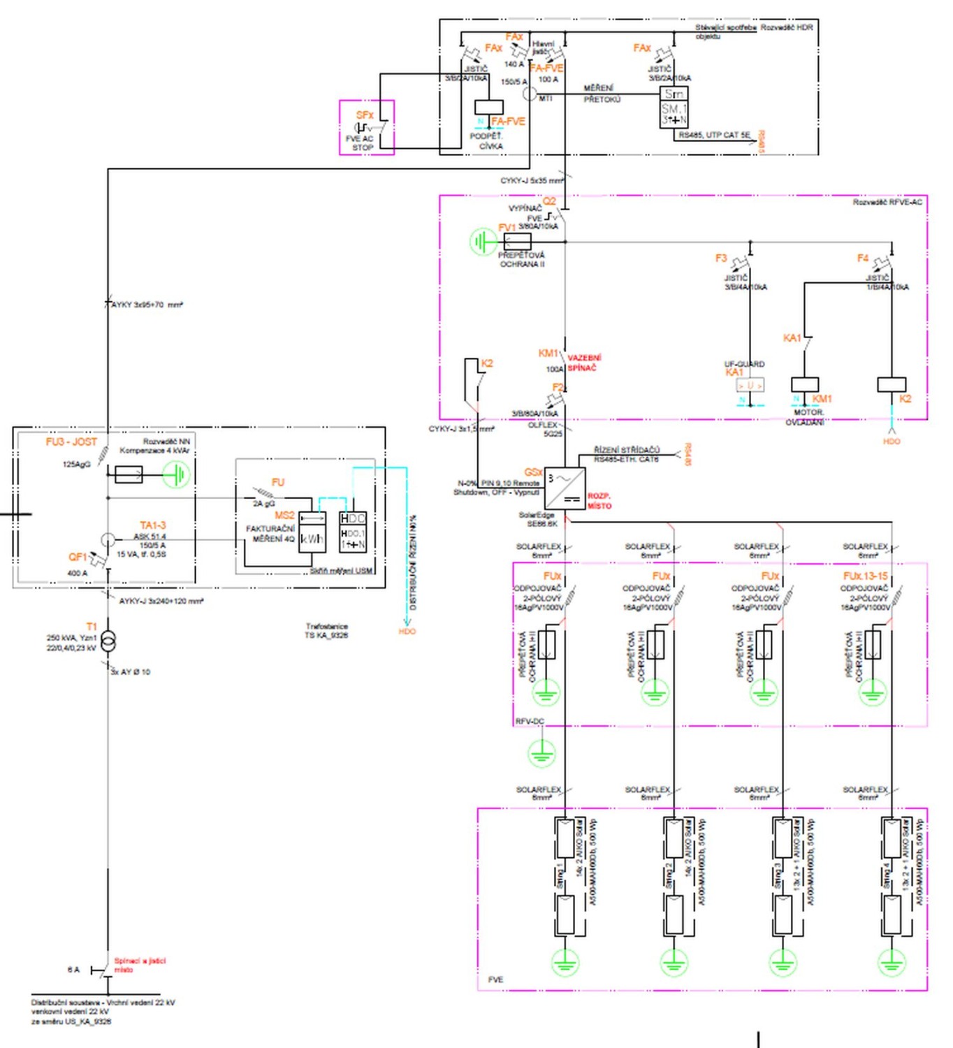
Horní Těrlicko – 55 kWp – SolarEdge FVE 55 kWp – projektová dokumentace pro instalaci na objektu. Měnič SolarEdge 66,6 kW, bez baterie. Součástí: návrh stringů a rozmístění panelů, jednopólové schéma (DC/AC), dimenzování jištění a kabeláže, podklady pro realizaci a revizi.